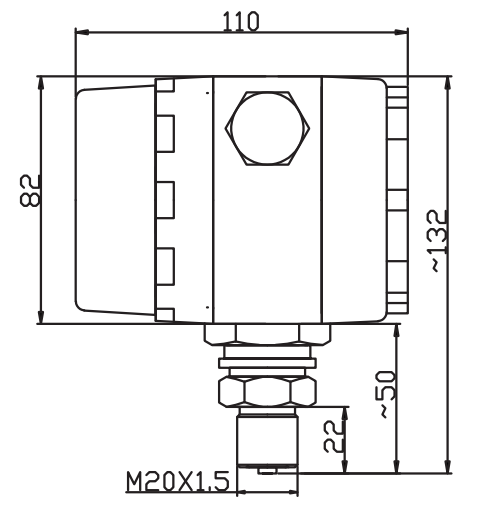
The PYB109 high-precision smart digital pressure gauge adopts a good seal of explosion-proof shell, battery power supply, and good seismic performance. It can measure gas, liquid and other media and is widely used in petroleum, chemical industry, environmental protection, laboratory, medical treatment, machinery, and water supply. Vacuum detection and other industrial occasions without power supply can be used outdoors or in humid environments.
|